雨刮清洗系统
词汇表
- 在本章中出现的所有首字母缩略词

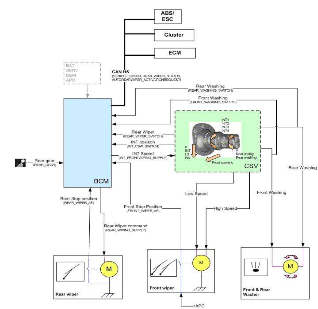
系统概要:高电流组合开关雨刮系统
如果车辆未安装RLS,则此类系统的功能依赖于CSW 和BCM。组合开关直接指令前刮水系统进行低 速和高速刮水,清洗泵也是这样控制的。
车身控制模块控制:
- 用于间歇性前雨刮和后雨刮
车身控制模块根据维修人员指令(CSW 状态)集成了间歇性前刮、后刮功能的输入。车身控制模块执行间歇性前后刮水的功能策略。 只有当启动开关处于“ON”位置时,才能使用雨刮和清洗功能。
电路图


- 雨刮电机和清洗泵
前后刮水电机配备“+APC”,单泵或双向泵(后刮水),前后清洗采用双向泵。 前刮水电机是一个“5 线”全C 级电机,具有高电流停止位置。后刮水是一个有低电流停止位置的“3 线”电机。
- 组合开关
组合开关是用于前雨刮和清洗的大电流开关和用于后雨刮的小电流开关。根据DIEC/DIESE 覆盖负载规范,CSW 可承受全C 级电机电流。在CSW 中,连接输出“OFF”、“INT”和“LS”,从而为前刮水电机的LS 输入供电:
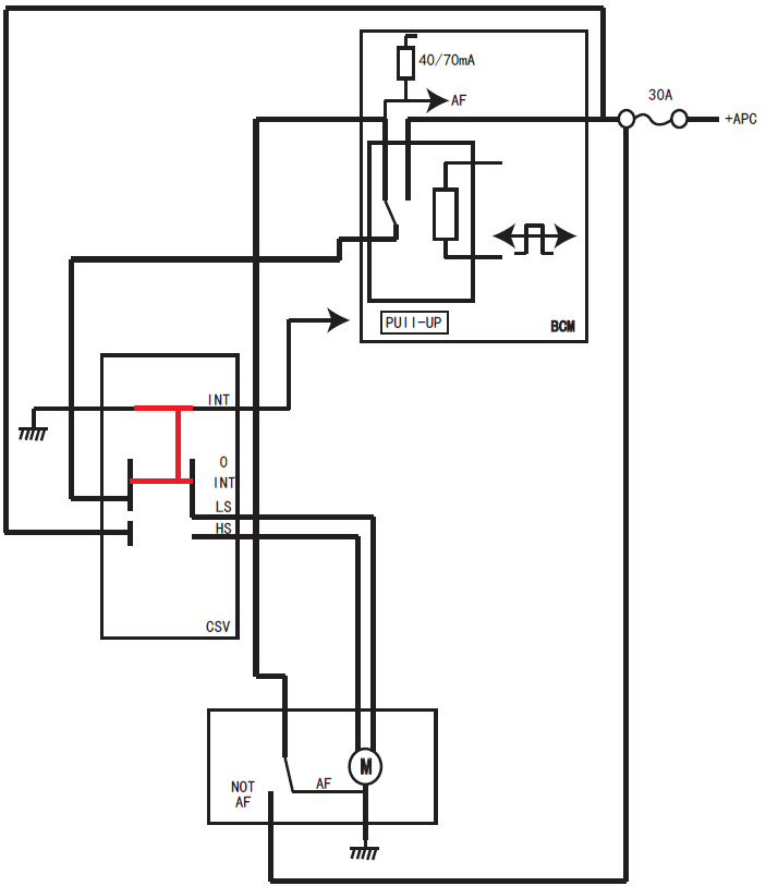
- 车身控制模块说明
为了管理间歇刮水模式,车身控制模块读取CSW 的内部位置和前刮水的停止位置。位于车身控制模块(内部继电器)内的内部继电器可以管理间歇性刮水。静止时,当CSW 处于关闭或Int 位置时,Int 继电器打开,通过CSW 将AF 信号连接到雨刮电机的LS 输入。当雨刮电机处于停止位置时,雨刮电机不再供电,并对地短路。因此,电机减速直至停止。
关闭位置的描述: 当雨刮开关换到OFF 位置时,前雨刮电机的低速输入提供“+ APC”,只要雨刮电机离开停止位置后,雨刮电机短路到地面。 因此,前雨刮刮片将自动停在停止位置。(采用20A 保险丝保护)

前雨刮间歇模式说明: 当INT 继电器闭合时,前雨刮电机通过雨刮开关打开低速模式。BCM 关闭INT 继电器,直到电机退出固定位置,然后BCM 打开继电器,电机将通过AF 信号“自动供电”。( 采用20A 保险丝保护)

前雨刮低速模式说明: 当维修人员选择低速刮水时,内部BCM INT 继电器处于静止状态。前雨刮电机的输入通过CSW 直接与“+APC”一起提供。当维修人员选择在电机不在停止位置停止前雨刮时,由于刮水电机为“自动供电”,将通过INT 和OFF 位置让雨刮器停在AF 位置。(采用20A 保险丝保护)

前雨刮高速模式说明: 当维修人员选择高速档时,内部BCM INT 继电器处于静止状态。前雨刮电机的输入通过CSW 直接与“+APC”一起提供。当维修人员选择在电机不在停止位置停止雨刮时,由于刮水电机为“自动供电”,将通过INT 和OFF 位置让雨刮器停在AF 位置。(采用20A 保险丝保护)

后雨刮的说明: 车身控制模块通过内部继电器(后继电器)管理后刮水电机。当要求向后刮水时,车身控制模块将关闭继电器,以向后雨刮器电机供电,直到雨刮电机自动回到停止位置。
执行的功能
如果雨刮器在工作过程中,关闭启动开关,刮片将在玻璃上立即停止。在重新打开启动开关后,只需将雨刮开关复位,刮片将自动回位。
- 配置数据-EEPROM 会在重置系统或拔出电池时保存参数值。

高电流CSW
功能4 02 02:手动间歇模式: 前雨刮由EMM CF 控制雨刮工作,间歇擦拭是一系列独特的低速擦拭,交错擦拭。间隔时间取决于车速快慢。 当车辆未安装间歇装置(在BCM 中,间歇参数设置为0)时,维修人员无法修改中断时间(标准值为8s)。该值在软件中使用参数std_fixed_int_time_tp 进行校准。当车辆装有间歇装置(间歇时间在车身控制模块中设置为1)时,可通过在4 个不同位置转动间歇环位置来调整间歇的时间,以将时间从1 秒更改为14 秒(标准值为1,4,8 和14 秒)。这些值在软件中通过以下参数进行校准标准时间。 如果环沿周期递减方向转动(对应于更频繁的刮水动作),则每次启动一次刮水。如果环沿周期递增方向转动(对应于较不频繁的擦拭动作),则每次都不会激活一次擦拭。当启动CSW 上的间歇刮水功能时,立即执行第一次单次刮水操作。 周期随车速的变化遵循以下算法:周期随车速的变化遵循以下算法:

其中“T”是标准期间(由维修人员固定或选择)。当车速不可用时,两次刮水之间的时间为标准周期
当维修人员选择间歇刮水时,车身控制模块控制INT 继电器,直到前雨刮器离开停止区域,以关闭INT 继电器时间。该值是校准数据。其目的是在电流低于5A 时使继电器转换,以保护继电器。只有当电压介于10 到16V 之间时,才能读取间歇输入,以避免考虑到由于电压变化而导致的输入波动。当蓄电池电压超出范围时,保持最后一个有效值。
功能4 02 04 后雨刮
后刮水继电器由BCM 控制,直到雨刮电机进入停止位置。如果开关关闭时后雨刮器未处于停止位置时,则电机仍将供电,直到达到停止位置。当任务结束时,刮片停止在停止位置时,电机将被驱动,直到在下一个任务开始时检测到停止位置。 后刮水模式只是间歇性的,通过雨刮开关激活。两次刮水之间的时间取决于车速。为了激活此功能,维修人员必须将后雨刮器开关打开
两次刮水循环之间的等待时间直接取决于车辆速度:
- 在0 km/h 和后雨刮器内部速度(1)km/h 之间:后雨刮器输入值Tm_tp(1)秒
- 后雨刮器内部速度阈值TP(1)和(2)之间:后雨刮器输入值Tm_tp(2)秒
- 后雨刮器内部速度阈值TP(2)和(3)之间:后雨刮器输入值Tm_tp(3)秒
- 高于后雨刮器输入速度阈值(3)后雨刮器输入值为(4)
如果车速不可用或无效,两次刮水之间的等待时间固定为后雨刮器输入周期。
所有这些值都是校准数据 当车速大于后雨刮器运行速度时,将禁止后刮水,以避免后窗上的雨刮片脱落。该值可在软件中校准。 如果后雨刮器运行时后雨刮器停止,且不在停止位置,BCM 将在下一个任务中搜索停止位置。
功能4 02 04 和4 02 05 后雨刮降级模式
如果停止位置搜索时间长于后雨刮器保护时间,则每次启动后雨刮器雨刮电机时都会激活降级模式。当进入降级模式时,在后雨刮器冷却关闭时间内,雨刮器电机电源关闭。只有当后雨刮器冷却关闭超时且驾驶员要求新的请求时,才能退出后雨刮降级模式。如果驾驶员在超时期间要求新的请求,车身控制模块将保持在降级模式,所有这些值都是校准数据。
功能4 05 01 前车窗清洗器
此功能用于管理前车窗清洗器。 前清洗器功能仅在启动开关打开(+APC)时可用。通过将拨动组合开关来完成请求。
车辆运行时:
- 前清洗的短请求(小于清洗机确认时间tp=500 ms)包括一个立即的低速刮水循环。
- 前清洗的长请求(超过清洗确认时间)时,需要立即开启低速擦拭,擦除周期直接取决于开关保持时间。
当车辆停止时:
前清洗的短请求(<500 ms)在请求释放时涉及一个低速擦拭循环。
长时间(>500 ms)的前洗请求可导致两个结果:
清洗开关在500 到750 ms 之间释放,将进行3 次延长刮水,在这些延长刮水之前,不会进行初始 刮水。
清洗开关在750 ms 后释放,在整个清洗CSW 期间将进行擦拭循环,释放开关后,在进行中的擦拭后, 将进行延长擦拭。
当不再拨动组合开关时,将停止清洗,并进行3 次擦拭,在进行了第三次擦除和DROP_WATH_tm_tp(3s) 的延迟之后,如果配置了一个最终的擦除( 称为“DROWASH”),则在这一系列擦除过程中,擦试请求仍然是一个优先级请求。如果驾驶员要求间歇性擦除时间小于滴落擦拭的延迟时间,则不应用滴落擦拭。如果洗涤顺序正在进行中,则在任何时候,CSW 上的新洗涤请求( 短或长) 重新初始化洗涤周期。
为了弥补停止位置的损失,在第一次延长刮水开始时启动计时器。当定时器达到清洗延长时间max_tm_tp=18s,BCM 未检测到雨刮延长时间,则停止清洗顺序。
当驾驶员在延长刮水或滴落刮水过程中离开车辆(即车辆进入舒适或睡眠状态)时,清洗顺序停止。因此,在下一个任务中,当打开清洗开关时,如果雨刮片不在停止位置,将自动返回停止位置。
功能4 05 02 后车窗清洗器
此功能用于管理后车窗清洗器。 为了激活此功能,维修人员必须将后雨刮器/ 清洗器置于工作位置。
- 后清洗的短请求(小于清洗机保持时间tp(500ms))不涉及雨刮器擦拭。
- 后清洗的长请求(超过清洗机保持时间tp(500ms))包括立即低速擦拭。
当开关被释放时,洗涤停止并且在下一个停止位置(AF)之后进行2 次擦拭。 之后第二次擦REAR_DROP_WIPE_TM_TP(3s)的延迟,完成最终擦除。
如果在“下降擦除”临时化过程中请求向后擦除,则执行请求并取消下降擦除。如果在延长刮水过程中 请求后刮水,则将取消下降刮水,并且后刮水请求是在最后一次延长后的间歇延迟后执行。 如果清洗顺序正在进行中,则CSW 上的新清洗请求随时会重新初始化清洗循环。 如果后雨刮器正在进行内部刮水:当在csv 上激活清洗请求时,清洗顺序将继续。 (最高优先级)。最后一次延长擦除结束时,将重新初始化间歇性超时。
功能4 02 01 前雨刮器
此功能用于管理前雨刮器。 前车窗雨刮器在“+BAT TEMPO”打开时工作,即当车辆状态高于或等于“BAT TEMPO”级别时。前刮水有不同的功能:自动、低速和高速。只要车辆状态处于舒适状态(无论电动机状态如何),即可使用低速刮水功能。自动和高速刮水功能仅在电动机运转时可用,如果电动机因“驾驶员要求”以外的其 他原因而停止,则此功能可用。 停止电动机不需要改变擦除速度( 低速保持低速),除非在高速启动的情况下,切换到低速。当电动机停止到电动机运行过渡时,再开始擦拭。 与组合开关的擦拭位置相对应,如果处于停止位置(AF),除非开关处于快速擦拭位置。 在切换到BAT TEMPO ON 时,如果雨刮器处于AF 状态,电机将根据开关启动新的擦拭步骤。
- 如果在车辆行驶时启动低速(车辆速度超过7 km/h 低于3 km/h)时,高速刮水开关切换到低速刮水。如果在车辆不移动时请求高速,则不会改变刮水速度。
- 如果在车辆行驶时启动低速(车辆速度超过7 km/h 低于3 km/h)时,低速刮水开关切换到间歇刮水在两次固定的_INT_TM_TP(5s)行程之间的时间。如果在车辆不移动时请求低速,则擦拭速度没有变化。
硬件/ 软件系统结构
数据描述:



系统故障
DTC 清单

没有电源故障的PWR FR 雨刷器故障诊断码(951114),位于PAR SW 内。 没有电源故障的PWR FL 雨刷器故障诊断码(951214),位于PAR SW 内。
故障诊断
DTC 清单
以下是可用于前后擦拭的所有故障诊断码:

故障诊断码激活条件
只有在满足以下条件时,以下故障诊断码才可用。

读取数据
可以使用诊断工具读取以下数据:
- BCM 校准参数,
- BCM 配置参数,
- BCM 输入/ 输出,见下表:

故障诊断方法及维修建议表

